Pietra Calacatta

雅科贝思 音圈电机 平板型音圈电机

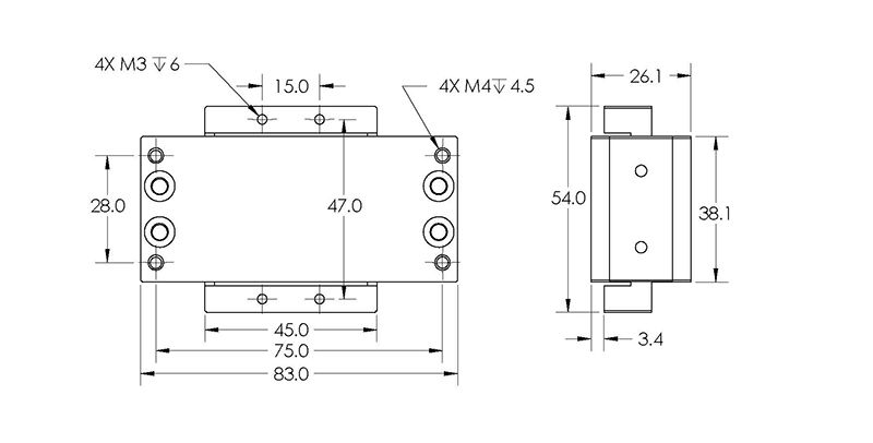
设计特点: A.无齿槽效应,运动顺滑 B.动子质量轻,响应速度快 C.直驱设计,可靠性高 D.高性能永磁体,推力密度高 规格/3D图纸 尺寸图 AVA 1-20 AVA 2-20

详细介绍

设计特点:
 
A.无齿槽效应,运动顺滑
B.动子质量轻,响应速度快
C.直驱设计,可靠性高
D.高性能永磁体,推力密度高

规格/3D图纸


尺寸图
AVA 1-20


AVA 2-20

图片欣赏

宽田科技 ©2013-2024(www.kuantiankeji.com)

本站关键词:工业机器人丨伺服电机丨直线电机丨DD马达丨模组丨视觉传感器丨传感器丨气缸丨电磁阀丨真空吸盘丨真空发生器丨拖链